產品分類
相關文章





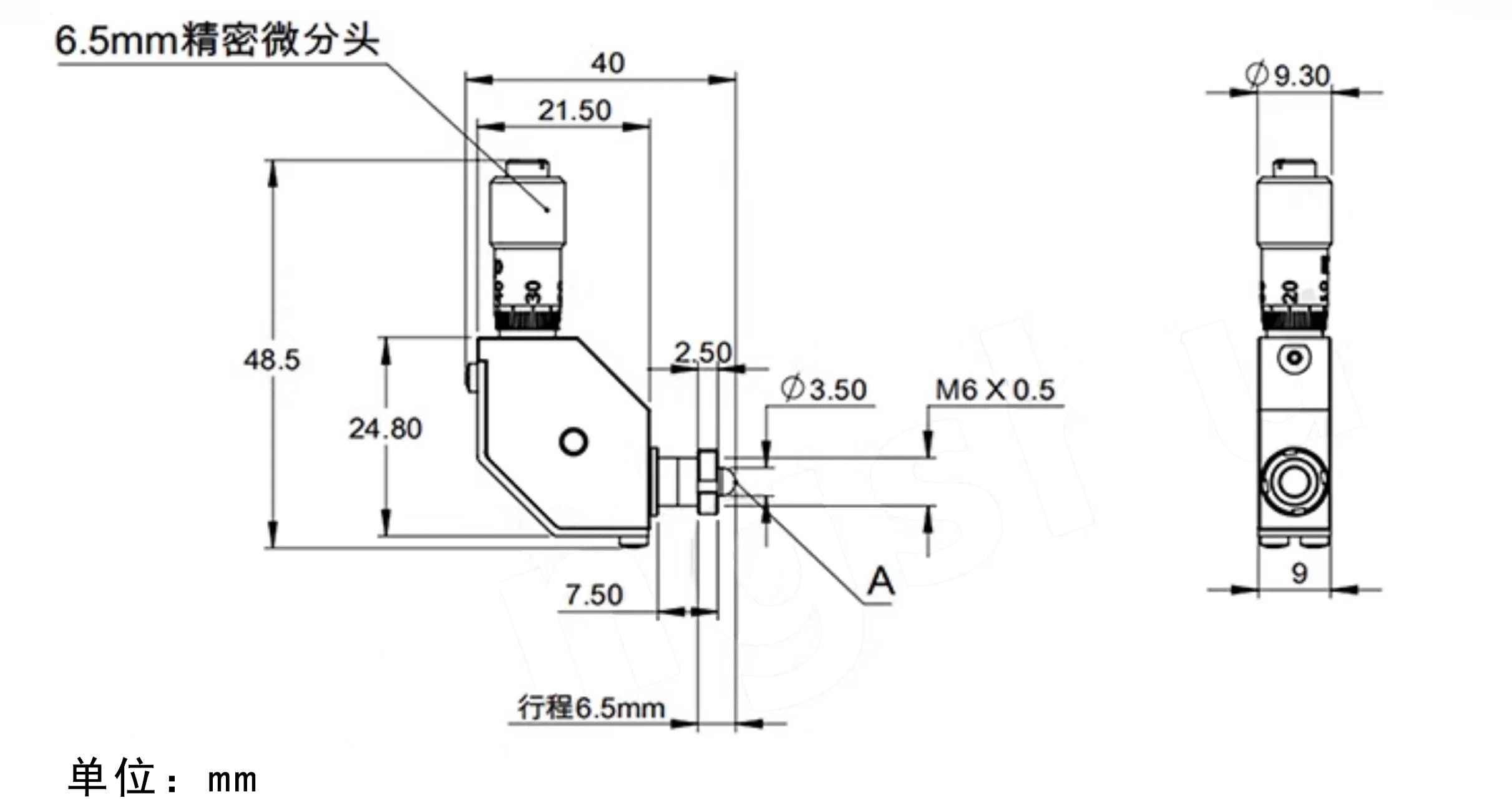
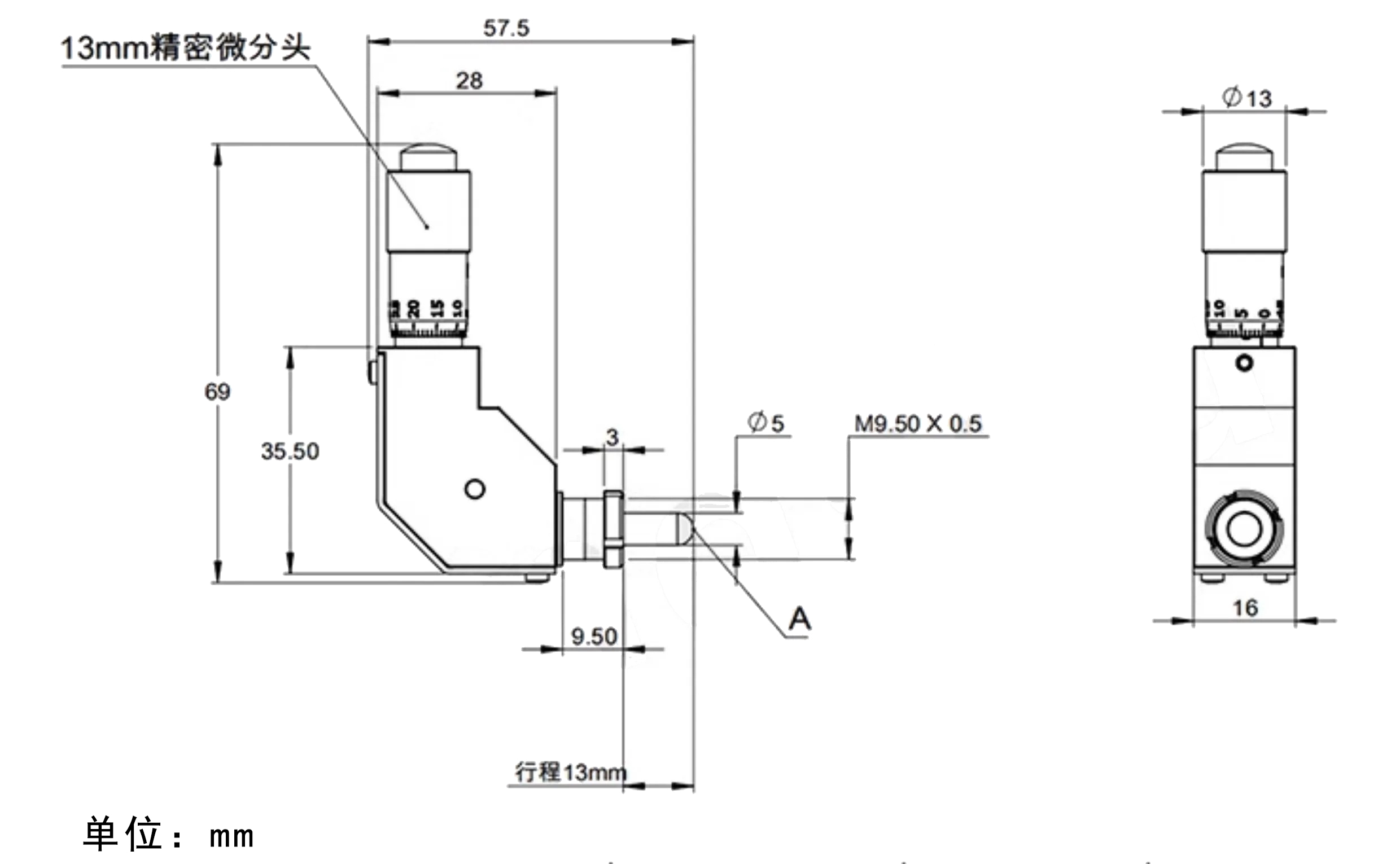
產品特征:
1、整體不銹鋼材質制造;
2、兼容真空環境使用;
3、常用于組裝產品或空間有限制的系列使用;
4、分度值為0.01mm,每轉移動0.5mm;
5、兩種行程可選,可選6.5mm和13mm行程;
6、兩種端面形狀可選,可選圓頭和平頭;
7、插入式附帶鎖緊環。
產品參數:
| 型號 | A | 重量(g) | 材質 |
| DH-6.5R | 圓頭 | 22.5 | 不銹鋼 |
| DH-6.5F | 平頭 | ||
| DH-13R | 圓頭 | 62.5 | |
| DH-13F | 平頭 |
產品尺寸:
DH-6.5R\DH-6.5F

DH-13R\DH-13F

細節展示:


高精科技有限責任公司是一家集光學、精密機械、自動化控制等技術于一體的高科技自主研發企業,一直服務于科研大專院校,根據不同客戶需求,研發配套軟硬件系統產品,涵蓋光學元器件、精密機械部件、自動控制、等大類通過長期的不懈努力、對光路搭建系統的工藝把控和對客戶的優良服務,在科研、大專院校、機械自動化等諸多領域成長為廠商。公司的長焦鏡頭,自動化機械控制臺、手動控制臺、高亮度光源等產品,產品注重模塊化,集成化,已形成量產,規格全、提供長期穩定的服務、同時提供定制服務。
目前主要產品:中空顯微掃描平臺 中空轉臺 直線電機平臺 電動旋轉臺 電動六維臺 六維調節平臺 六軸干涉儀調整架 六軸鏡架 手動升降臺 角度調節臺 方位調節臺 電動升降臺 三軸調節臺 XYZ調節臺 光學平臺 光學平板 拉伸平臺 傾斜臺 高真空電動平臺 真空平臺 光學平臺 面包板 電動角位臺 手動角位臺 長工作距物鏡 大數值孔徑物鏡
公司郵箱: gaojingtek@126.com
服務熱線:
公司地址: 北京高精科技有限責任公司
Copyright © 2025 北京高精科技有限責任公司 All Rights Reserved
備案號:京ICP備2025128558號-3
技術支持:化工儀器網 管理登錄 sitemap.xml
